Košík
0
Ve vašem košíku nejsou žádné další položky
0 položek
0 Kč
Celkem (s DPH)
0 Kč
vč. DPH:
0 Kč
Kategorie
- Agregáty - pohonné jednotky
- Akumulátory
- ATEX Výbušné prostředí - rozvaděče
- CARTRIDGE / logické ventily
- Cívky, jádra, konektory
-
Čerpadla
- Děliče a slučovače průtoku
- Filtry a filtrační vložky
- Hydromotory
- Chladiče
- Kulové ventily
- Manometry
- Mikro hydraulika
- Motory
- Ohraňovací lisy - ventily a ventilové bloky
- Oleje
- Proporcionální ventily - servo ventily
- Připojovací bloky
- Příruby, spojky a držáky
- Příslušenství
- Sedlové ventily
- Škrtící ventily
- Šoupátkové rozvaděče - ventily
- Šroubení
- Tlakové spínače, snímače a senzory
-
Tlakové ventily - pojistné / redukční
- Redukční ventily NG06, NG10
- Kostka pro VDBE k instalaci do potrubí
- Pojistné tlakové ventily VDBE
- Pojistné tlakové ventily VDBVE
- Pojistné tlakové ventily VUBVE
- Pojistné tlakové ventily do potrubí
- Redukční ventily do potrubí
- Tlakové ventily, pojistné NG06, NG10
- Tlakové ventily, pojistné, sekvenční modulové
- Válce
- Vysokotlaká hydraulika až 2000 bar
- Zámky a brzdné ventily
- Zatloukací zátky
- Zpětné ventily
- Nezávislé topení pro karavany
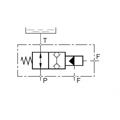
NSV060BA05L - Nasávací ventilový blok pro ohraňovací lisy, 280 bar, 300 l/min
HB90639-002D
Nasávací ventil NG50.
HB90639-002D
NSV060BA05L
Obsahuje patronu NSV060BE05L
HB90639-002D
NSV060BA05L
Obsahuje patronu NSV060BE05L
Tyto nasávací ventily jsou určeny pro montáž na válec pomocí příruby. Sací ventily HOERBIGER jsou v základní pozici vždy otevřeny a slouží k rychlému nasávání hydraulického válce při rychloposuvu. Ovládání probíhá pomocí pilotního tlaku.
HB90639-002D
1 ks
Parametry
- Hmotnost
- 7.4 kg
- Označení
- HB90639-002D NSV060BA05L
- Připojení
- NG50
- Maximální tlak
- 350.0 bar
- Zkrácený název
- HB90639-002D NSV060BA05L
Nové
Nasávací ventil NG50.
HB90639-002D
NSV060BA05L
Obsahuje patronu NSV060BE05L
HB90639-002D
NSV060BA05L
Obsahuje patronu NSV060BE05L